Вы здесь

Межфланцевые шаровые краны из нержавеющей стали DN 15-100 мм с электроприводом серия SC314. В наличии от 30250 руб.

Комплектация: межфланцевый полнопроходной шаровой кран из нержавеющей стали и неполнооборотный общепромышленный электрический привод вращения.

Для использования на средах с температурой до +110С электропривод устанавливается на присоединительный фланец шарового крана, т.е. происходит прямой монтаж электропривода на шаровой кран. Для сред с температурой до +180С монтаж производится с использованием соединительного модуля, который предотвращает чрезмерную теплопередачу от шарового крана на электропривод, тем самым сохраняет его работоспособность.  

Применение: дистанционное управление в трубопроводах потоками различных жидкостей, в том числе и агрессивных, на объектах во всех областях промышленности и инфраструктуры.

 

  • Техническое описание
  • Комплектации и цены
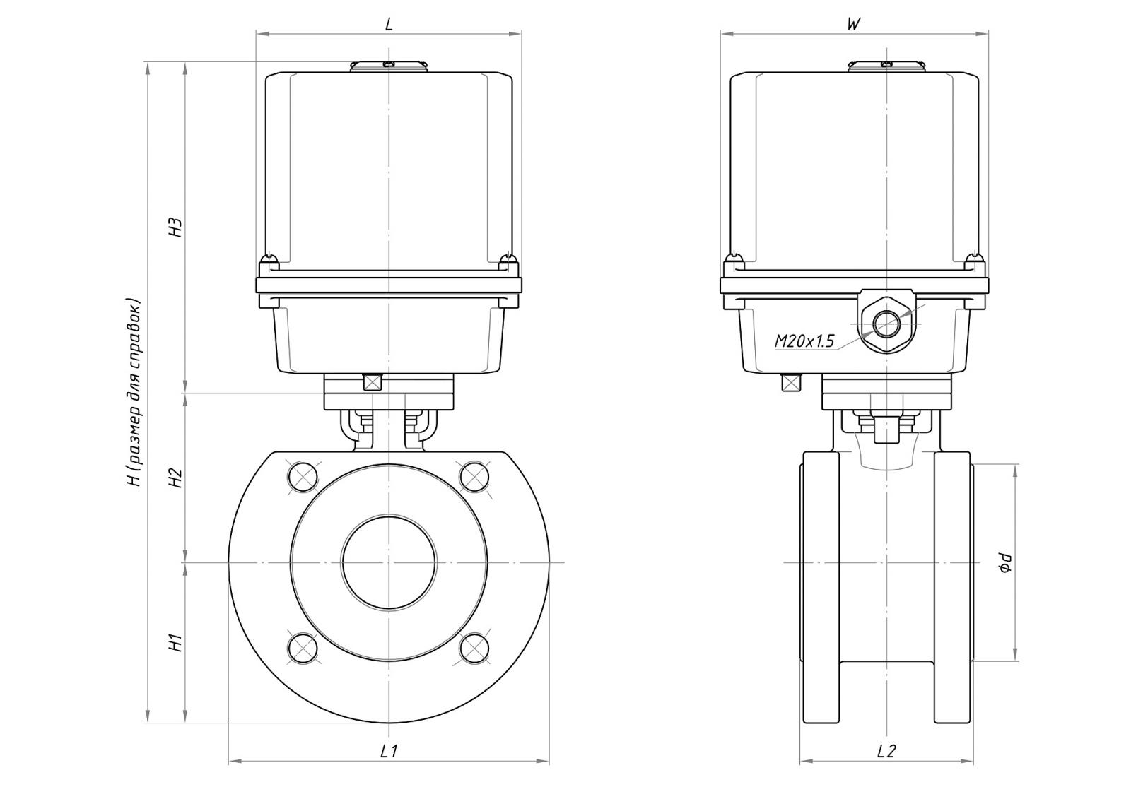
  • Габаритные размеры
  • Схемы электроподключения

Для получения счета на оплату, коммерческого предложения, информации по наличию на данное оборудование присылайте на почту info@spcontrol.ru выбранные Вами коды для заказа из таблиц во вкладке "Комплектации и цены". Обязательно укажите нужное количество для каждой позиции. Так же в запросе должны быть реквизиты вашего юридического лица или ИП и указано контактное лицо.

При желании предварительно можете получить информацию по наличию интересующих Вас позиций по телефону +7 (495) 771-08-84 или в чате на сайте.

Технические характеристики:

Диаметр условный (DN): 15,20,25,32,40,50,65,80,100 мм
Присоединение к трубопроводу: межфланцевое 
Материал корпуса и шара:

нержавеющая сталь CF8M (1.4408) 

Уплотнение шара: PTFE (тефлон)
Давление рабочей среды:

DN15-50 до 40 бар

DN65-100 до 16 бар

Температура рабочей среды:

от -20 до +110С

от -20 до +180С (с соединительным модулем

между фланцем шарового крана и электроприводом)

Возможное электропитание привода 220В/АС или 24В/DC

Степень пылевлагозащищенности

электропривода

IP67 (полная защита от пыли, кратковременное погружение в воду на глубину до 1 м)

Дополнительные концевые выключатели

крайних положений

имеются 2 шт.
Ручной дублер имеется
Визуальная индикация имеется
Кабельный разъем имеется
Позиционер с сигналом вход/исход 4-20 мА возможно Серия SC316
Разрешительная документация

ТР ТС 010/2011 «О безопасности машин и оборудования»

ТР ТС 020/2011 «Электромагнитная совместимость технических средств»

ТР ТС 004/2011 «О безопасности низковольтного оборудования»

ТР ТС 032/2013 «О безопасности оборудования, работающего под избыточным давлением»

 

Особенности:

  • полная герметичность и низкий крутящий момент благодаря высокоточной обработке каждой детали крана
  • легкость монтажа и демонтажа
  • противовыбросовый шток крана с двойным уплотнением
  • материал шестерней редуктора и ручного дублера электропривода – сталь
  • минимальное время открытия/закрытия от 1 секунды
  • большой ресурс работы электроприводов

Таблица для заказа с ценами, температура рабочей среды до +110°С:

DN, мм

Kv,

м3

Время открытия/закрытия, сек.

PN, бар

Электропитание привода

Потребляемая мощность, Вт

Ток, А

Код для заказа

Цена с НДС

Складской

 статус

15

11

1

16

220/AC

15

0,25

22MST1522001

53350,00 руб.

в наличии

2,5

40

220/AC

15

0,25

22MST15220025

44000,00 руб.

в наличии

12

40

220/AC

15

0,25

22MST1522012

30250,00 руб.

в наличии

1

25

24/DC

18

1,5

22MST1524D01

55550,00 руб.

в наличии

2,5

40

24/DC

18

1,5

22MST1524D025

46200,00 руб.

в наличии

12

40

24/DC

18

1,5

22MST1524D12

33000,00 руб.

в наличии

20

21

1

16

220/AC

15

0,25

22MST2022001

53900,00 руб.

в наличии

2,5

40

220/AC

15

0,25

22MST20220025

45100,00 руб.

в наличии

12

40

220/AC

15

0,25

22MST2022012

31350,00 руб.

в наличии

1

16

24/DC

18

1,5

22MST2024D01

56100,00 руб.

в наличии

2,5

40

24/DC

18

1,5

22MST2024D025

47300,00 руб.

в наличии

12

40

24/DC

18

1,5

22MST2024D12

34100,00 руб.

в наличии

25

42

2,5

25

220/AC

15

0,25

22MST25220025

46750,00 руб.

в наличии

12

40

220/AC

15

0,25

22MST2522012

33000,00 руб.

в наличии

2,5

25

24/DC

18

1,5

22MST2524D025

49500,00 руб.

в наличии

12

40

24/DC

18

1,5

22MST2524D12

35750,00 руб.

в наличии

32

60

12

25

220/AC

15

0,25

22MST3222012

36850,00 руб.

в наличии

12

40

220/AC

15

0,25

22MST32220S12

49500,00 руб.

в наличии

12

25

24/DC

18

1,5

22MST3224D12

40700,00 руб.

в наличии

12

40

24/DC

18

1,5

22MST3224DS12

51700,00 руб.

в наличии

40

96

12

16

220/AC

15

0,25

22MST4022012

38500,00 руб.

в наличии

12

40

220/AC

15

0,25

22MST40220S12

56100,00 руб.

в наличии

12

16

24/DC

18

1,5

22MST4024D12

40700,00 руб.

в наличии

12

40

24/DC

18

1,5

22MST4024DS12

58300,00 руб.

в наличии

50

186

12

16

220/AC

15

0,25

22MST5022012

43450,00 руб.

в наличии

12

25

220/AC

15

0,25

22MST50220S12

56650,00 руб.

в наличии

8

40

220/AC

40

0,55

22MST5022008

86350,00 руб.

в наличии

8

40

220/AC

40

0,55

22MST50220S08

93500,00 руб.

в наличии

12

16

24/DC

18

1,5

22MST5024D12

46200,00 руб.

в наличии

12

25

24/DC

18

1,5

22MST5024DS12

58850,00 руб.

в наличии

8

40

24/DC

30

1,8

22MST5024D08

89650,00 руб.

в наличии

8

40

24/DC

40

3

22MST5024DS08

97350,00 руб.

в наличии

65

300

23

16

220/AC

18

0,25

22MST6522023

71500,00 руб.

в наличии

8

16

220/AC

40

0,55

22MST6522008

96800,00 руб.

в наличии

8

16

220/AC

40

0,55

22MST65220S08

103950,00 руб.

в наличии

20

16

24/DC

18

1,5

22MST6524D20

74800,00 руб.

в наличии

8

16

24/DC

30

1,8

22MST6524D08

101200,00 руб.

в наличии

8

16

24/DC

40

3

22MST6524DS08

108900,00 руб.

в наличии

80

420

8

16

220/AC

40

0,55

22MST8022008

103950,00 руб.

в наличии

8

16

220/AC

40

0,55

22MST80220S08

111650,00 руб.

в наличии

8

16

24/DC

30

1,8

22MST8024D08

108900,00 руб.

в наличии

8

16

24/DC

40

3

22MST8024DS08

117700,00 руб.

в наличии

100

660

8

10

220/AC

40

0,55

22MST10022008

118250,00 руб.

в наличии

8

10

220/AC

40

0,55

22MST100220S08

126500,00 руб.

в наличии

8

10

24/DC

30

1,8

22MST10024D08

124300,00 руб.

в наличии

8

10

24/DC

40

3

22MST10024DS08

132000,00 руб.

в наличии

Таблица для заказа с ценами, температура рабочей среды до +180°С:

 

DN, мм

Kv,

м3

Время открытия/закрытия, сек.

PN, бар

Электропитание привода

Потребляемая мощность, Вт

Ток, А

Код для заказа

Цена с НДС

Складской

 статус

15

11

1

16

220/AC

15

0,25

22MST1522001H

57750,00 руб.

в наличии

2,5

16

220/AC

15

0,25

22MST15220025H

48400,00 руб.

в наличии

12

16

220/AC

15

0,25

22MST1522012H

34650,00 руб.

в наличии

1

16

24/DC

18

1,5

22MST1524D01H

59950,00 руб.

в наличии

2,5

16

24/DC

18

1,5

22MST1524D025H

50600,00 руб.

в наличии

12

16

24/DC

18

1,5

22MST1524D12H

37400,00 руб.

в наличии

20

21

1

16

220/AC

15

0,25

22MST2022001H

59400,00 руб.

в наличии

2,5

16

220/AC

15

0,25

22MST20220025H

49500,00 руб.

в наличии

12

16

220/AC

15

0,25

22MST2022012H

35750,00 руб.

в наличии

1

16

24/DC

18

1,5

22MST2024D01H

60500,00 руб.

в наличии

2,5

16

24/DC

18

1,5

22MST2024D025H

51700,00 руб.

в наличии

12

16

24/DC

18

1,5

22MST2024D12H

38500,00 руб.

в наличии

25

42

2,5

16

220/AC

15

0,25

22MST25220025H

51150,00 руб.

в наличии

12

16

220/AC

15

0,25

22MST2522012H

37400,00 руб.

в наличии

2,5

16

24/DC

18

1,5

22MST2524D025H

50490,00 руб.

в наличии

12

16

24/DC

18

1,5

22MST2524D12H

40150,00 руб.

в наличии

32

60

12

16

220/AC

15

0,25

22MST3222012H

41250,00 руб.

в наличии

12

16

24/DC

18

1,5

22MST3224D12H

45100,00 руб.

в наличии

40

96

12

16

220/AC

15

0,25

22MST4022012H

42900,00 руб.

в наличии

8

16

220/AC

40

0,55

22MST4022008H

85800,00 руб.

в наличии

12

16

24/DC

18

1,5

22MST4024D12H

45100,00 руб.

в наличии

8

16

24/DC

30

1,8

22MST4024D08H

88000,00 руб.

в наличии

50

 

186

 

12

16

220/AC

15

0,25

22MST5022012H

47850,00 руб.

в наличии

8

16

220/AC

40

0,55

22MST5022008H

91300,00 руб.

в наличии

8

16

220/AC

40

0,55

22MST50220S08H

96800,00 руб.

в наличии

12

16

24/DC

18

1,5

22MST5024D12H

50600,00 руб.

в наличии

8

16

24/DC

30

1,8

22MST5024D08H

95700,00 руб.

в наличии

8

16

24/DC

40

3

22MST5024DS08H

103400,00 руб.

в наличии

65

 

300

 

23

10

220/AC

18

0,25

22MST6522023H

75900,00 руб.

в наличии

8

10

220/AC

40

0,55

22MST6522008H

102300,00 руб.

в наличии

8

10

220/AC

40

0,55

22MST65220S08H

110000,00 руб.

в наличии

20

10

24/DC

18

1,5

22MST6524D20H

79200,00 руб.

в наличии

8

10

24/DC

30

1,8

22MST6524D08H

107800,00 руб.

в наличии

8

10

24/DC

40

3

22MST6524DS08H

115500,00 руб.

в наличии

80

 

420

 

8

10

220/AC

40

0,55

22MST8022008H

109450,00 руб.

в наличии

8

10

220/AC

40

0,55

22MST80220S08H

117700,00 руб.

в наличии

8

10

24/DC

30

1,8

22MST8024D08H

115500,00 руб.

в наличии

8

10

24/DC

40

3

22MST8024DS08H

123750,00 руб.

в наличии

100

 

660

 

8

10

220/AC

40

0,55

22MST10022008H

126500,00 руб.

в наличии

8

10

220/AC

40

0,55

22MST100220S08H

134200,00 руб.

в наличии

8

10

24/DC

30

1,8

22MST10024D08H

132000,00 руб.

в наличии

8

10

24/DC

40

3

22MST10024DS08H

140800,00 руб.

в наличии


Возможно вас также заинтересует: