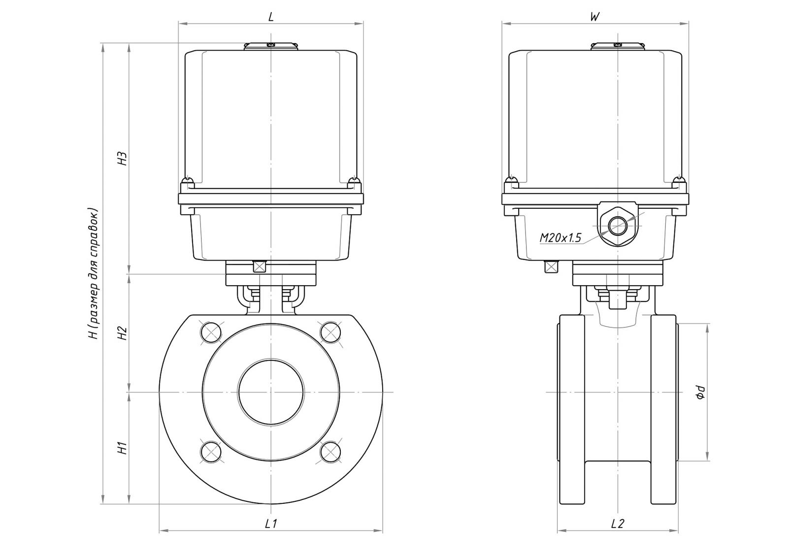
Для плавного и точного регулирования потока предлагаем межфланцевый шаровой кран с V-образным вырезом 30° в шаре с установленным электроприводом оснащенным позиционером с управляющим сигналом 4...20 мА, так же имеется исходящий сигнал 4-20 мА для обратной связи. Возможно производить точное линейное регулирование расхода рабочей среды под давлением до 16 бар для жидких сред и до 10 бар для пара и газообразных сред.
пн-пт: с 9.00 до 17.00







